試料を溶剤に溶解し、分子サイズに基づき分離、検出された結果を元にポリマーの分子量分布を算出します。
・試料
必要試料量:10mg、分子量範囲:10000000程度まで
・測定条件
移動相溶媒 (クロロホルム、THF、DMF等) 、スタンダード (PS、PEG/PEO等)
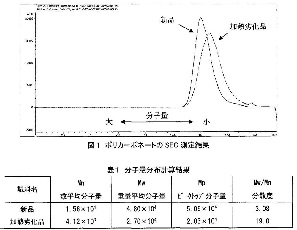
分析例として、ポリカーボネート (新品、加熱劣化品) の測定例を示す。
・試料
必要試料量:10mg、分子量範囲:10000000程度まで
・測定条件
移動相溶媒 (クロロホルム、THF、DMF等) 、スタンダード (PS、PEG/PEO等)
分析例として、ポリカーボネート (新品、加熱劣化品) の測定例を示す。
